服務熱線
13350355997
作者: 凱潛濾油機 發布時間:2019-11-17 14:19 點擊量: 來源:
《廢油脫水凈化工藝技術》

1.廢油脫水凈化設備工藝技術概述
潤滑油作為工業血液,在國民經濟發展中起到不可替代的作用,每年我國消耗大量潤滑油。使用過后產生的廢舊潤滑油只有少量組分變質乳化或者僅僅是受到污染,若直接廢棄不僅污染環境也是極大的浪費。2009-2016年潤滑油生產及消耗量如圖1所示。圖1.2009-2016年我國潤滑油產量及消費量走勢圖
車用潤滑油是潤滑油_主要的消費品種,_車用潤滑油需求量占達到 55%,工業潤滑油約占潤滑油總需求量的 45%,而每年潤滑油用量在不斷的增長。
各國對行業環境用油都規定了換油期或換油標準。每年換下來的廢潤滑油量非常大。而廢潤滑油中存在氧、氮、烴、硫的有機化合物及化學添加劑,這些廢油若被丟棄或燃燒,不僅造成能源的極大浪費而且會造成嚴重的環境污染,中國廢機油屬于危險廢物HW08,已經納入國家重點監控。廢機油中含有致癌、致突變、致畸形物質及廢酸、重金屬等物質,難以自然分解,對環境的污染相當大,一旦滲入泥土中,土壤幾十年都無法修復,1斤廢潤滑油油可污染1000噸清水。廢油潤滑油過濾利用受到.各國的高度重視。因此針對廢潤滑油的回收再利用也隨之展開。
廢舊潤滑油中正在變質的只有3%左右,其主體仍是好的基礎油。潤滑油在使用過程中引入雜質可分為以下幾大類:
(1)水分雜質:使用過程中無意引入的機械雜質,水分、如灰塵、泥沙、纖維、金屬粉末等。混入的水分;碳粒;碳青質、油焦質、潤滑過程中氧化產生的膠質及瀝青質。
(2)酸類:主要是油溶性有機酸,有時也含有水溶性酸(包括無機酸和低分子量有機酸。過氧化物;中性含氧化合物,包括脂類、醚類和某些羰基化合物。
(3)皂類;添加劑消耗后產生的化合物。
將工業生產中的廢舊潤滑油,壓縮機油,液壓油,抗磨液壓油,變壓器絕緣油、齒輪油等乳化油中的水分雜質用廢油脫水凈化設備去除,得到基礎油重復利用具有鉅大的經濟價值與社會效益。
將乳化油脫水凈化、脫水后重復利用一般需要的工藝分為三步:
(1). 首先用廢油凈化設備將乳化油過濾,脫除雜質和脫水,投資小見效快(可以直接賣給收油企業到下一步工藝過濾處理)。
(2). 乳化油脫水除雜質,將油水分離后的潤滑油進行減壓分子蒸餾工藝得到一類基礎油。
(3)第三 將基礎油精制后可以直接出售。
2.廢油脫水工藝流程介紹
2.1 廢油脫水設備工藝流程:
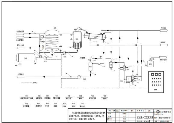
將含雜質和水分的廢油通過蒸汽換熱器加熱到80℃→到過濾機除去5-15um雜質然后到儲油罐→再蒸汽換熱器加熱至100℃→進入螺旋噴淋霧化系統,廢油變為霧狀到高真空分離塔,水分即開始蒸發,油霧,在真空分離塔內形成立體的,多層面的蒸發結構,從真空分離塔中分離出來的水蒸氣熱空氣進入冷疑器,大部分水蒸氣凝結為水存入積水罐,水分通過聚結分離機凈化后排出機外。凈化后的潤滑油通過塔底排油泵排出完成一個凈化循環。
(1)預處理過濾
廢油通過化驗室化驗進行品位分析,然后通過換熱過濾,除去大塊固體雜質,如廢手套、粉末、廢螺絲、廢抹布等,廢油過濾后進入儲存罐。
(2)高真空脫水
廢油脫水設備采購用高真空立體三維油水分離技術,油水分離效果能達到98%,經過脫水潤滑油中含水量2%左右。
![VSIEU8T7$NF4MY1`6A]%ZXI.png 廢油脫水凈化設備工藝技術](/uploads/allimg/191117/14192K138_0.png)


2.2.設備技術原理
廢潤滑油脫水設備采用減壓霧化閃急蒸餾技術,它不同于傳統蒸餾依靠沸點差分離原理,(比如;傳統沸點差分離100℃左右,而高真空霧化閃急分子蒸餾技術在50℃-80℃左右既可分離脫出完油中的水分)而是靠不同物質的分子運動平均自由程的差別來實現液-液分離。其,分子運動自由程是指一個分子相鄰兩次碰撞之間所走的路程。當含水油液受熱后,水的輕、重分子會溢出液面而進入氣相,由于輕、重分子的自由程不同,因此,不同物質的分子從液面溢出后移動距離也不同來實現達到物質分離的目的。減壓霧化閃急蒸餾技術不但加快了水分子溢出時間,既提高處理效率。
2.3.廢油真空脫水技術優勢
3.1.采用霧化閃急蒸餾工藝技術,具有其它分離技術無法比擬的優點:
(1)工作溫度低(遠低于沸點)、真空度高(空載≤5Pa)、受熱時間短(以秒計)、分離效率高等,特別適宜于高沸點、熱敏性、易氧化物質的分離。
(2)可有效地脫除低分子物質(脫臭。
(3)其分離過程為物理分離過程,可很好地保護被分離油品不被二污染(因為沸點低),特別是可保持油品提取物的原來品質。
(4) 分離程度高,高真空分子蒸餾技術,遠高于傳統蒸餾及普通的短程蒸發器。
(5)高真空降低物料沸點;因廢油里的膠質,瀝青,游離碳等雜質非常多,可以有效的防止這些物質結焦,對設備長期使用有效保障的同時提高廢油脫水的油產量。
(6)油料溫度在50-80℃之間真空度在100-300Pa,水分即可拔出。
本文來源:www.mobilewiki.cn.轉載請注明!

地址:重慶市沙坪壩區覃家崗鎮新橋村石梯溝社幸福小區
銷售部:023-65217597
技術部:(86)13350355997
023-65217916
售后部:023-65217916
傳 真:023-65217916
QQ: 2904490491
郵箱: KQGY668@163.com