服務熱線
13350355997
作者: 凱潛濾油機 發布時間:2019-11-16 21:17 點擊量: 來源:

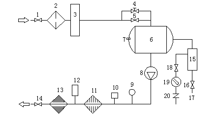
(1)將需要處理的污油通過壓力濾油機初步在貯油罐內循環過濾掉油中雜質;
(2)將油輸入加熱器,壓向真空罐進行噴霧;
(3)待真空罐內的油位表達到1/2時的油量時用另一臺油泵,將罐內的油抽出至貯油罐,如此不斷循環,并控制真空罐內進油壓力為2~3公斤/平方厘米,同時調節出油,達到進出油量平衡;
(4)待加熱器出油溫度達50~70℃時,開啟真空泵,使罐內真空度逐漸提高,至額定值為止,油循環趨于正常運行,直至油中的除水、脫氣達到合格為止。
油的凈化
用化學方法或物理方法:化學方法使油恢復原來的性質,叫做油的凈化。
油的凈化一般采用吸附劑的方法,如粒狀白土過濾法、硅膠過濾吸附法以及活性氧化鋁過濾吸附法等。它們能吸附油劣化后所產生的氧化物,如酸類、膠質、水分以及油泥沉淀物等。
1.變壓器油的凈化
通常將吸附劑放置于變壓器外的吸附器上,這種方法叫做熱虹吸法。工作原理如下:變壓器帶負荷時,油因受熱密度變小,油自變壓器的上部流入吸附器,油在流動過程中,逐漸冷卻密度變大,從吸附器底部流回變壓器。吸附器內裝有吸附劑,油在運行中因氧化所生成的氧化物通過吸附劑時被吸附,從而使運行中的油處于合格狀態。
2.透平油的凈化
考慮到運行設的_和吸附器的布置,除強迫油循環系統可采用連續性凈化外,一般采用非連續性凈化,即機組檢修時,對油進行機械凈化處理,同時進行油的凈化。
3.運行油凈化應注意幾個問題:
(1)油的質量很好時,進行油的凈化,能使油長期保持良好的質量;
(2)吸附劑的粒子不可過小,吸附劑中的氣體清除后方可使用;
(3)油凈化之前將水分可以提高油凈化的效果;
(4)為了使油系統保證正常循環,吸附器安裝盡量減少管道的彎曲。
地址:重慶市沙坪壩區覃家崗鎮新橋村石梯溝社幸福小區
銷售部:023-65217597
技術部:(86)13350355997
023-65217916
售后部:023-65217916
傳 真:023-65217916
QQ: 2904490491
郵箱: KQGY668@163.com